Вентиляторы дутьевые и дымососы котельные ВДН(у), ДН(у)
+7 (391) 272-75-70Склад и офис в одном месте
Оперативные поставки: мы работаем быстро
Большой запас уже готового к погрузке оборудования на складе
Возможность отгрузки оборудования в выходные и праздничные дни, при необходимости – круглосуточная отгрузка
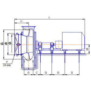
Назначение
Вентиляторы предназначены для подачи воздуха в топки паровых котлов и установки в котельную. Дымососы для котлов предназначены для отсасывания дымовых газов из топок пылеугольных и газомазутных установок..
Варианты изготовления
- Общего назначения из углеродистой стали, ТУ 3113-059-11865045-08.
- Коррозионностойкие, изготавливаются по специальному заказу.
- По согласованию с заказчиком вентиляторы и дымососы комплектуются МЭО.
Условия эксплуатации
Вентиляторы могут работать при температуре перемещаемого воздуха не ниже –30°С и не выше +80°С. Эксплуатация дымососов допускается при температуре перемещаемых газов не выше 250°С. Умеренный и тропический климат, категории размещения 1, 2, 3 ГОСТ 15150.
Опции
- Щит управления.
- Гибкие вставки.
- Всасывающий карман.























